ہمیں ای میل کریں
مصنوعات
ایئر ٹی اے سی ٹائپ جی آر پریشر ریگولیٹر
  • ایئر ٹی اے سی ٹائپ جی آر پریشر ریگولیٹرایئر ٹی اے سی ٹائپ جی آر پریشر ریگولیٹر

ایئر ٹی اے سی ٹائپ جی آر پریشر ریگولیٹر

آپ ہماری فیکٹری سے ایر ٹی اے سی ٹائپ جی آر پریشر ریگولیٹر خریدنے کے لئے یقین دہانی کر سکتے ہیں اور ہم آپ کو فروخت کے بعد بہترین خدمت اور بروقت ترسیل کی پیش کش کریں گے۔

ایر ٹی اے سی ٹائپ جی آر پریشر ریگولیٹر نیومیٹک سسٹم کے لئے مستحکم اور عین مطابق دباؤ کنٹرول فراہم کرتا ہے۔ پائیدار تعمیر اور آسان ایڈجسٹمنٹ کے ساتھ او ایل کے جی آر نیومیٹک ریگولیٹر ، یہ آٹومیشن کے سازوسامان ، ہوا کے اوزار ، کمپریسرز اور عام صنعتی ایپلی کیشنز میں قابل اعتماد کارکردگی کو یقینی بناتا ہے۔ فلٹرز ، چکنا کرنے والے ، اور ایف آر ایل یونٹوں کے ساتھ ہم آہنگ۔

ایر ٹی اے سی ٹائپ جی آر پریشر ریگولیٹر پروڈکٹ کی خصوصیات:

· بلٹ ان اسکوائر پریشر گیج انسٹالیشن کی جگہ (بیرونی گول گیج اختیاری) بچاتا ہے۔

· لاکنگ ڈیزائن بیرونی قوت کی وجہ سے حادثاتی دباؤ میں ایڈجسٹمنٹ کو روکتا ہے۔

pressure متوازن دباؤ کو منظم کرنے کا ڈھانچہ مستحکم دباؤ ، چھوٹے اتار چڑھاو اور اچھی کارکردگی کو یقینی بناتا ہے۔

جی سی = جی ایف + جی آر + جی ایل (فلٹر + نیومیٹک ریگولیٹر + چکنا کرنے والا)

standard معیاری ماڈل کے علاوہ ، ایک کم دباؤ کی قسم بھی دستیاب ہے (زیادہ سے زیادہ سایڈست دباؤ: 0.4 ایم پی اے)


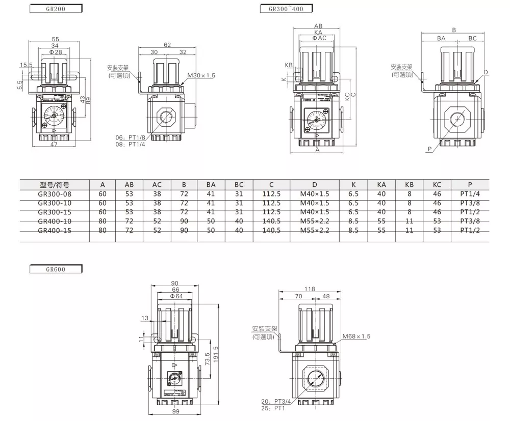
جی آر پریشر ریگولیٹر علامت :

آرڈر کوڈ

GR200

--

08

ماڈل:

 

پورٹ سائز:

GR200 سیریز پریشر ریگولیٹر

 

06: PT: 1/8

GR400 سیریز پریشر ریگولیٹر

 

08: PT1/4

GR400 سیریز پریشر ریگولیٹر

 

10: PT3/8

GR600 سیریز پریشر ریگولیٹر

 

15: PT1/2

 

 

20: PT3/4

 

 

GR200


ماڈل

GR200-06

GR200-08

GR300-08

20: PT3/4

GR300-15

GR400-10

GR400-15

GR600-20

GR600-25

کام کرنے والا میڈیم

ہوا

بندرگاہ کا سائز

PT1/8

pt1/4

pt1/4

PT3/8

PT1/2

PT3/8

PT1/2

PT3/4

PT1

آپریٹنگ پریشر کی حد

0.05-0.9mpa (20-130psi)

ورکنگ پریشر کی حد

1.5MPA (215psi)

ٹیم

-20--70 ℃

2W160-10

160 گرام

350g

720g

1700 جی


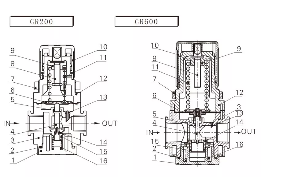
ایئر ٹی اے سی ٹائپ جی آر پریشر ریگولیٹر کو ایڈجسٹ کرنے کا طریقہ

ایڈجسٹمنٹ کیپ پر پریشر اسکیل ہے۔ جب ہوا فراہم کی جاتی ہے تو ، نوب کو کھینچیں اور دباؤ کو بڑھانے کے لئے اسے گھڑی کی سمت "+" نشان کی طرف موڑ دیں۔ ایڈجسٹمنٹ کے بعد ، اسے لاک کرنے کے لئے نیچے نیچے دبائیں۔


مرحلہ 1: نوب کو تھامیں اور اسے کھینچیں۔

مرحلہ 2: دباؤ کو بڑھانے کے لئے اسے گھڑی کی سمت موڑ دیں۔

مرحلہ 3: ایڈجسٹمنٹ کے بعد لاک کرنے کے لئے نیچے نیچے دبائیں۔


نوٹس: براہ کرم آپ سے منسلک ہوتے وقت ہوا کے بہاؤ کی سمت کی نشاندہی کرنے والے تیر پر دھیان دیں۔ الٹ انلیٹ کنکشن ہوا کے رساو کا سبب بن سکتا ہے۔




عمومی سوالنامہ:

GR کا مطلب کیا ہے؟

جی آر کا مطلب ہے جی آر سیریز ایئر ریگولیٹر۔


-20--70 ℃

GFC = GFR + GL (فلٹر ریگولیٹر + چکنا کرنے والا)


25: PT1

جی سی = جی ایف + جی آر + جی ایل (فلٹر + نیومیٹک ریگولیٹر + چکنا کرنے والا)



ہاٹ ٹیگز: ایئر ٹی اے سی ٹائپ جی آر پریشر ریگولیٹر ، چین ، کارخانہ دار ، سپلائر ، فیکٹری
انکوائری بھیجیں۔
رابطہ کی معلومات
  • پتہ

    ژینگٹائی روڈ ، زینگنگ انڈسٹریل زون ، لیوشی ، ییوکنگ ، وینزہو ، جیانگ ، چین۔

  • ٹیلی فون

    86-0577 57178620

  • ای میل

    cici@olkptc.com

ہماری ویب سائٹ پر خوش آمدید! ہماری مصنوعات یا قیمت کی فہرست کے بارے میں پوچھ گچھ کے لئے، براہ کرم ہمیں اپنا ای میل چھوڑ دیں اور ہم 24 گھنٹوں کے اندر رابطے میں رہیں گے۔
ای میل
cici@olkptc.com
ٹیلی فون
86-0577 57178620
موبائل
+86-13736765213
پتہ
ژینگٹائی روڈ ، زینگنگ انڈسٹریل زون ، لیوشی ، ییوکنگ ، وینزہو ، جیانگ ، چین۔
X
ہم آپ کو براؤزنگ کا بہتر تجربہ پیش کرنے ، سائٹ ٹریفک کا تجزیہ کرنے اور مواد کو ذاتی نوعیت دینے کے لئے کوکیز کا استعمال کرتے ہیں۔ اس سائٹ کا استعمال کرکے ، آپ کوکیز کے ہمارے استعمال سے اتفاق کرتے ہیں۔ رازداری کی پالیسی
مسترد قبول کریں