ہمیں ای میل کریں
مصنوعات
2V025 سولینائڈ والو کئی گنا
  • 2V025 سولینائڈ والو کئی گنا2V025 سولینائڈ والو کئی گنا
  • 2V025 سولینائڈ والو کئی گنا2V025 سولینائڈ والو کئی گنا

2V025 سولینائڈ والو کئی گنا

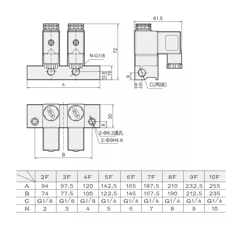
2V025 دو پوزیشن ، دو طرفہ براہ راست اداکاری عام طور پر بند سولینائڈ والو کو درخواست کی ضروریات کے مطابق والو بیس کی تشکیل سے منسلک کیا جاسکتا ہے ، جس میں 2 سے 12 پوزیشنوں تک لچکدار توسیع ہوتی ہے۔ اس ملٹی اسٹیشن 2V025 سولینائڈ والو کئی گنا میں ایک کمپیکٹ اور ہلکا پھلکا ڈیزائن پیش کیا گیا ہے لیکن انفرادی استعمال کے ل. اسے جدا نہیں کیا جاسکتا ہے۔ والو باڈی اعلی معیار کے ایلومینیم کھوٹ سے بنا ہے اور این بی آر سگ ماہی مواد استعمال کرتا ہے۔

انٹیک اور راستہ کی سمتوں پر انحصار کرتے ہوئے ، 2V025 سولینائڈ والو کئی گنا ایک انلیٹ اور ایک سے زیادہ آؤٹ لیٹس کے ساتھ مثبت دباؤ کی اقسام میں تقسیم کیا جاسکتا ہے ، اور ایک سے زیادہ inlet اور ایک دکان کے ساتھ منفی دباؤ کی قسمیں۔ ویکیوم پمپ میں منفی دباؤ کا اطلاق کیا جاسکتا ہے۔ چونکہ مثبت اور منفی دباؤ مخالف سمتوں میں کام کرتا ہے ، لہذا آرڈر دینے سے پہلے براہ کرم او ایل کے سیلز ٹیم سے مشورہ کریں

2V025 سولینائڈ والو کئی گنا جنرل پیرامیٹرز کا ڈیٹا:

ایکشن

براہ راست اداکاری

پوزیشنوں کی تعداد

2-پوزیشن 2 طرفہ

ابتدائی حالت

نہیں ، این سی

چکنا

غیر ضروری

ورکنگ پریشر رینج ایم پی اے (پی ایس آئی)

0 ~ 0.8MPA (0 ~ 114psi)

گارنٹیڈ پریشر مزاحمت

1.5MPA (215psi)

معیاری وولٹیج

AC220V ، AC110V ، AC24V ، DC24V ، DC12V

وولٹیج کی حد کا استعمال کریں

AC: ± 15 % DC: ± 10 %

بجلی کی کھپت

AC: 6VADC: 6W

تحفظ کی سطح

IP65 (DIN40050)

گرمی کے خلاف مزاحمت گریڈ

کلاس بی

کنکشن کی قسم

DIN ساکٹ کی قسم ، دکان کی قسم

جوش و خروش کا وقت

0.05 سیکنڈ یا اس سے کم

والو باڈی

ایلومینیم کھوٹ

عمومی سوالنامہ:

2V025-06 اور 2V025-08 کے درمیان کیا فرق ہے؟

2V025-06 اور 2V025-08 کے درمیان فرق پورٹ قطر ہے۔ 06 = G1/8 ، اور 08 = G1/4


کیا 2V025 کو ایک ساتھ مل کر کئی گنا والو تشکیل دیا جاسکتا ہے؟

10 پی سی تک 2V025 تک سولینائڈ والو کئی گنا والو تشکیل دے سکتا ہے۔


2 طرفہ والو 2V025 کس منظرناموں کے لئے موزوں ہے؟

دو طرفہ دو طرفہ 2V025 والو کام کے منظرناموں کو اڑانے کے لئے موزوں ہے ، لیکن یہ نیومیٹک سلنڈروں کے لئے موزوں نہیں ہے کیونکہ وہاں کوئی راستہ بندرگاہ نہیں ہے۔


کیا منفی دباؤ کے ماحول میں 2V025 سولینائڈ والو استعمال کیا جاسکتا ہے؟

یقینی طور پر ، 2V025 سولینائڈ والو جس میں ایک سے زیادہ ایئر انلیٹس اور ایک دکان ہے ، ویکیوم پمپ کے ساتھ استعمال کے ل suitable موزوں ہے۔


کیا 2V025 سیال کنٹرول ویل 2 راستہ عام طور پر کھلا ہے؟

ہاں , 2V025-06-NO: inlet: G1/8 ، آؤٹ لیٹ: M5

2V025-08-NO: inlet: G1/4 ، آؤٹ لیٹ: M5

2 وے 2V025 سولینائڈ والو کئی گنا مماثل مشترکہ لوازمات


ہاٹ ٹیگز: 2V025 سولینائڈ والو کئی گنا ، چین ، کارخانہ دار ، سپلائر ، فیکٹری
انکوائری بھیجیں۔
رابطہ کی معلومات
  • پتہ

    ژینگٹائی روڈ ، زینگنگ انڈسٹریل زون ، لیوشی ، ییوکنگ ، وینزہو ، جیانگ ، چین۔

  • ٹیلی فون

    86-0577 57178620

  • ای میل

    cici@olkptc.com

ہماری ویب سائٹ پر خوش آمدید! ہماری مصنوعات یا قیمت کی فہرست کے بارے میں پوچھ گچھ کے لئے، براہ کرم ہمیں اپنا ای میل چھوڑ دیں اور ہم 24 گھنٹوں کے اندر رابطے میں رہیں گے۔
ای میل
cici@olkptc.com
ٹیلی فون
86-0577 57178620
موبائل
+86-13736765213
پتہ
ژینگٹائی روڈ ، زینگنگ انڈسٹریل زون ، لیوشی ، ییوکنگ ، وینزہو ، جیانگ ، چین۔
X
ہم آپ کو براؤزنگ کا بہتر تجربہ پیش کرنے ، سائٹ ٹریفک کا تجزیہ کرنے اور مواد کو ذاتی نوعیت دینے کے لئے کوکیز کا استعمال کرتے ہیں۔ اس سائٹ کا استعمال کرکے ، آپ کوکیز کے ہمارے استعمال سے اتفاق کرتے ہیں۔ رازداری کی پالیسی
مسترد قبول کریں