ہمیں ای میل کریں
مصنوعات
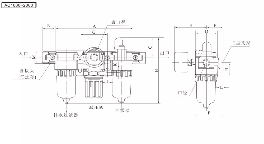
ایس ایم سی ٹائپ اے سی ایف آر ایل یونٹ
  • ایس ایم سی ٹائپ اے سی ایف آر ایل یونٹایس ایم سی ٹائپ اے سی ایف آر ایل یونٹ
  • ایس ایم سی ٹائپ اے سی ایف آر ایل یونٹایس ایم سی ٹائپ اے سی ایف آر ایل یونٹ
  • ایس ایم سی ٹائپ اے سی ایف آر ایل یونٹایس ایم سی ٹائپ اے سی ایف آر ایل یونٹ

ایس ایم سی ٹائپ اے سی ایف آر ایل یونٹ

ایس ایم سی ٹائپ اے سی ایف آر ایل یونٹ (فلٹر ریگولیٹر-لبرکیٹر) ایک نیومیٹک بنیادی جزو ہے جو ہوا کے منبع فلٹریشن ، دباؤ میں کمی اور ضابطہ ، اور چکنا کرنے کے علاج کو مربوط کرتا ہے۔ یہ نیومیٹک نظاموں کے لئے صاف ، مستحکم اور چکنا ہوا کمپریسڈ ہوا مہیا کرتا ہے ، اس طرح نیومیٹک اجزاء کی عمر بڑھاتا ہے اور نظام استحکام کو بڑھاتا ہے۔ او ایل کے اے سی سیریز ایف آر ایل یونٹ جدید نیومیٹک نظاموں کے لازمی "سرپرست" کے طور پر کام کرتی ہے۔

ایس ایم سی ٹائپ اے سی ایف آر ایل یونٹ کی خصوصیات اور ڈیزائن:

خود تالا لگانے والی ایڈجسٹمنٹ: دباؤ خود کو تالا لگانے کا طریقہ کار۔ ایک بار جب مطلوبہ دباؤ طے ہوجائے تو ، اسے لاک کرنے کے لئے نوب کو نیچے دبائیں۔ اس سے بیرونی کمپن یا حادثاتی رابطے کی وجہ سے مقررہ دباؤ کو تبدیل کرنے سے روکتا ہے۔

ورسٹائل نکاسی آب: مختلف آپریٹنگ حالات کے مطابق دستی ڈرین اور آٹو ڈرین دونوں آپشنز میں دستیاب ہے۔ شفاف کٹورا پانی کی سطح کی آسانی سے نگرانی کی اجازت دیتا ہے۔

اعلی صحت سے متعلق گیج: نظام کے دباؤ کی واضح ، درست پڑھنے اور حقیقی وقت کی نگرانی کے لئے اعلی صحت سے متعلق پریشر گیج سے لیس ہے۔

ایس ایم سی ٹائپ اے سی ایف آر ایل یونٹ نوٹس:

بہاؤ کی سمت چیک کریں: براہ کرم تنصیب سے پہلے ایئر فلو کی سمت کی تصدیق کریں! والو جسم کے اوپری حصے میں بہاؤ کی سمت کے نشانات (تیر یا اندر/آؤٹ) ہیں۔ تنصیب کے لئے ان اشارے پر سختی سے عمل کریں۔ ریورس میں انسٹال کرنا خرابی یا رساو کا سبب بنے گا۔

باقاعدگی سے دیکھ بھال: کٹوری میں پانی کی سطح کو باقاعدگی سے چیک کریں اور اگر دستی ڈرین کی قسم کا استعمال کرتے ہو تو اسے نکالیں۔ کم ہونے پر چکنا کرنے والے کے تیل کو دوبارہ بھریں (ISO VG32 ٹربائن آئل کی سفارش کی جاتی ہے)۔

ایس ایم سی ٹائپ اے سی ایف آر ایل یونٹ علامت:

آرڈر کوڈ

ac

2000

-

02

-

D

سیریز کا کوڈ

شیل سائز

 

پورٹ سائز:

 

ڈرین کا طریقہ

AC : SMC قسم AC FRL یونٹ

1000

 

M5: M5

 

خالی: دستی ڈرین

 

2000

 

02: 1/4

 

A: امتیازی دباؤ ڈرین

 

3000

 

03: 3/8

 

ڈی: آٹو ڈرین

 

4000

 

04: 1/2

 

 

 

5000

 

06: 3/4

 

 

 

 

 

10: 1

 

 

 

ثبوت دباؤ

1.5 MPa (15.3kgf/cm³)

زیادہ سے زیادہ دباؤ

1.0MPA (10.2kgf/cm³)

ماحول اور سیال کا درجہ حرارت

5-60 ℃

فلٹر یپرچر

5μm

تیل

isovg32

کپ مواد

پی سی

کپ ہڈ

AC1000-2000 (WIHTOUT) AC3000-5000 (کے ساتھ)

دباؤ کو منظم کرنے کی حد

AC1000: 0.05-0.7 MPa (0.51-7.1 kgf/cm³)

AC2000-5000: 0.05-0.085 MPa (0.51-8.7 kgf/cm³)

پریشر گیج اوریفیس سیریز


2000 سیریز

3000 سیریز

4000 سیریز

5000 سیریز

اوہ

1/8

1/4

ac

br

1/4

-

بی ایف سی

-

ایس ایم سی ٹائپ اے سی ایف آر ایل یونٹ کے لئے تنصیب کے اقدامات:

پہلے ، لپیٹے ہوئے پی ٹی ایف ای ٹیپ اور پریشر گیج کے ساتھ جوڑ انسٹال کریں

2. تیر کی سمت پر عمل کریں: بائیں طرف ہوا کی مقدار ہے ، اور دائیں طرف ہوا کا دکان ہے

3. ہوا کے ٹیوبوں کو دونوں سروں پر متعلقہ متعلقہ اشیاء سے مربوط کریں

4. دباؤ ایڈجسٹمنٹ نٹ کو اوپر کی طرف اٹھائیں اور دباؤ کو منظم کرنے کے لئے اسے گھمائیں۔ گھڑی کی سمت موڑنے سے ہوا کے بہاؤ میں اضافہ ہوتا ہے ، جبکہ گھڑی کی سمت کا رخ موڑنے سے ہوا کے بہاؤ میں کمی واقع ہوتی ہے

5. مطلوبہ ہوا کے دباؤ کو ایڈجسٹ کریں ، پھر ہوا کو لاک کرنے کے لئے ایڈجسٹنگ نٹ کو نیچے کی طرف دبائیں

6. اگر ایندھن کی ضرورت ہو تو ، آئلر پر سکرو ڈھیل دیں

7. تیل inlet میں نیومیٹک بحالی کا تیل یا ٹربائن آئل ڈالیں (یقینی بنائیں کہ نیومیٹک تیل کپ پر اشارہ کردہ تیل کی سطح کی لائن سے تجاوز نہیں کرتا ہے)

8. نیومیٹک تیل بھرنے کے بعد ، نٹ کو ایلن رنچ سے سخت کریں

9. گردش کے ذریعہ تیل کی فراہمی کو ایڈجسٹ کریں: گھڑی کی سمت تیل کے بہاؤ میں اضافہ کرتا ہے ، گھڑی کی طرح اس میں کمی واقع ہوتی ہے


ڈرین کی قسم

کام کرنے کا اصول

درخواست کا ماحول

فوائد

نقصانات

دستی ڈرین

فلٹر باؤل میں جمع پانی کو باقاعدگی سے وقفوں سے دستی طور پر گھومنے یا ڈرین والو کو دبانے سے فارغ کیا جاتا ہے۔ آیا نکاسی آب مکمل ہے اس کا انحصار مکمل طور پر دستی آپریشن پر ہے۔

نالیوں کی غیر معمولی ضروریات کے ساتھ سادہ سسٹم یا ایپلی کیشنز۔

سادہ ڈھانچہ ، کم ناکامی کی شرح ، اضافی بحالی کی ضرورت نہیں ہے۔

دستی آپریشن پر انحصار کرتا ہے۔ نالیوں کو بھول جانا آسان ہے۔ ضرورت سے زیادہ پانی جمع فلٹریشن کی کارکردگی کو متاثر کرسکتا ہے۔

مختلف دباؤ ڈرین

فلٹر سے پہلے اور بعد میں دباؤ کے فرق کو استعمال کرتا ہے۔ جب کنڈینسیٹ جمع میں اضافہ ہوتا ہے اور دباؤ کا فرق کسی پیش سیٹ کی قیمت تک پہنچ جاتا ہے تو ، نالی خود بخود کھل جاتی ہے۔ ایک بار جب دباؤ کی تفریق معمول پر لوٹ آتی ہے تو یہ ایک بار پھر بند ہوجاتا ہے۔ جب ہوا کا دباؤ اور بہاؤ ہوتا ہے تب ہی چلتا ہے۔

مستحکم ہوا کی فراہمی اور آسان آپریٹنگ حالات والے ماحول ، جہاں دستی آپریشن آسان نہیں ہے۔

بجلی کی فراہمی کی ضرورت نہیں ہے۔ خودکار نکاسی آب ، دستی نالیوں سے زیادہ قابل اعتماد۔

مستحکم ہوا کے دباؤ کی ضرورت ہے۔ طویل شٹ ڈاؤن کے دوران نکاسی آب کی کارکردگی محدود ہے یا جب دباؤ کا کوئی فرق نہیں ہے۔

خودکار ڈرین

فلوٹ میکانزم یا ٹائمر استعمال کرتا ہے۔ جب کنڈینسیٹ کسی خاص سطح پر پہنچ جاتا ہے تو ، ڈرین خود بخود کھل جاتا ہے

اعلی کمپریسڈ ہوا کے معیار کی ضروریات کے ساتھ خودکار پروڈکشن لائنز اور سسٹم۔

انتہائی بروقت اور مستحکم نکاسی آب کی کارکردگی۔

نسبتا higher زیادہ لاگت۔


اے ایف کیو ایس:

اسے AC FRL کیوں کہا جاتا ہے؟

اے ایف (ایئر فلٹر) + اے آر (دباؤ ریگولیٹنگ والو) + ال (آئل مسٹ چکنا کرنے والا) = اے سی ٹرپل یونٹ


تجویز کردہ کنکشن کا طریقہ

ایئر کمپریسر - ایئر سورس پروسیسر - کنٹرول جزو - ایکٹیویٹر


اگر پلاسٹک کپ حفاظتی احاطہ اکثر آسانی سے ٹوٹ جاتا ہے تو مجھے کیا کرنا چاہئے؟

کچھ صارفین اکثر یہ پاتے ہیں کہ پلاسٹک کے کپ دباؤ کی وجہ سے نہیں بلکہ مواد کی وجہ سے پھٹے ہیں۔ پلاسٹک کے کپ کچھ مخصوص ماحول کے خلاف مزاحم نہیں ہوتے ہیں ، جس سے دھاتی کپ کو مخصوص حالات میں ایک بہتر متبادل بنایا جاتا ہے


سولینائڈ والو سلنڈروں کی خدمت زندگی کو کیسے بڑھایا جائے؟

فلٹر کا استعمال ہوا سے نمی اور نجاست کو دور کرسکتا ہے ، جس سے پسٹنوں کو رگڑ نقصان اور سیلنگ کی انگوٹھیوں کو مؤثر طریقے سے کم کیا جاسکتا ہے۔ ایک چکنا کرنے والے کو ٹربائن آئل شامل کرنے کے لئے استعمال کیا جاسکتا ہے ، جو پھر ہوا کے ذریعہ سلنڈر پسٹن کو چکنا اور سگ ماہی کی انگوٹھیوں کو چکنا کرنے کے لئے لے جاتا ہے۔ پریشر ریگولیٹر انٹیک ہوا کے دباؤ کو ایڈجسٹ کرسکتا ہے ، جس سے کام کی کارکردگی میں مزید بہتری آسکتی ہے


OLK کے لئے فلٹر عنصر کس مواد سے بنا ہے؟

او ایل کے 25μm کی فلٹریشن کی درستگی کے ساتھ تانبے کے فلٹر عناصر کا استعمال کرتا ہے ، جبکہ عام فائبر فلٹر عناصر میں صرف 5μm کی درستگی ہوتی ہے۔ اعلی صحت سے متعلق فلٹر عناصر گیس سے نجاست اور نمی کو مؤثر طریقے سے ختم کرسکتے ہیں ، اس بات کو یقینی بنانا کہ آؤٹ پٹ ہوا خشک اور آلودگیوں سے پاک ہے


ہاٹ ٹیگز: ایس ایم سی ٹائپ اے سی ایف آر ایل یونٹ ، چین ، کارخانہ دار ، سپلائر ، فیکٹری
انکوائری بھیجیں۔
رابطہ کی معلومات
  • پتہ

    ژینگٹائی روڈ ، زینگنگ انڈسٹریل زون ، لیوشی ، ییوکنگ ، وینزہو ، جیانگ ، چین۔

  • ٹیلی فون

    86-0577 57178620

  • ای میل

    cici@olkptc.com

ہماری ویب سائٹ پر خوش آمدید! ہماری مصنوعات یا قیمت کی فہرست کے بارے میں پوچھ گچھ کے لئے، براہ کرم ہمیں اپنا ای میل چھوڑ دیں اور ہم 24 گھنٹوں کے اندر رابطے میں رہیں گے۔
ای میل
cici@olkptc.com
ٹیلی فون
86-0577 57178620
موبائل
+86-13736765213
پتہ
ژینگٹائی روڈ ، زینگنگ انڈسٹریل زون ، لیوشی ، ییوکنگ ، وینزہو ، جیانگ ، چین۔
X
ہم آپ کو براؤزنگ کا بہتر تجربہ پیش کرنے ، سائٹ ٹریفک کا تجزیہ کرنے اور مواد کو ذاتی نوعیت دینے کے لئے کوکیز کا استعمال کرتے ہیں۔ اس سائٹ کا استعمال کرکے ، آپ کوکیز کے ہمارے استعمال سے اتفاق کرتے ہیں۔ رازداری کی پالیسی
مسترد قبول کریں