ہمیں ای میل کریں
مصنوعات
ٹی اے سی نیومیٹک ٹوگل والو
  • ٹی اے سی نیومیٹک ٹوگل والوٹی اے سی نیومیٹک ٹوگل والو

ٹی اے سی نیومیٹک ٹوگل والو

پیشہ ورانہ تیاری کے طور پر ، اولک آپ کو ٹیک نیومیٹک ٹوگل والو فراہم کرنا چاہے گا۔ اور اولک آپ کو فروخت کے بعد بہترین خدمت اور بروقت ترسیل کی پیش کش کرے گا۔

ٹی اے سی نیومیٹک ٹوگل والو (جسے سوئچ والو بھی کہا جاتا ہے) ایک صحت سے متعلق سوئچنگ جزو ہے جو خاص طور پر نیومیٹک سسٹم اور سیال کنٹرول کے لئے ڈیزائن کیا گیا ہے۔ اس کے منفرد ٹوگل قسم کے کنٹرول ڈھانچے کے ساتھ ، یہ تیزی سے سوئچنگ اور سیال کے راستوں پر عین مطابق کنٹرول حاصل کرتا ہے۔

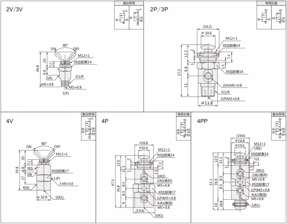
ٹی اے سی سیریز ٹوگل والو میں 2 پوزیشن 2 وے ، 2 پوزیشن 3 وے اور 2 پوزیشن 5 وے کا انتخاب کیا جاسکتا ہے۔ لیور کی قسم اور دو اقسام کے تھریڈ: ایم 5 ، جی 1/8۔

درخواست کے منظرنامے

صنعتی آٹومیشن کا سامان ، مکینیکل پروسیسنگ ، بلڈنگ میٹریل پروسیسنگ ، توانائی اور کان کنی ، خوراک اور مشروبات کی صنعت ، طبی سامان وغیرہ۔

مصنوعات کی خصوصیات

اس کا سائز چھوٹا ہے ، تنصیب کی بہت کم جگہ کی ضرورت ہوتی ہے ، اور دستی طور پر چلانے کے لئے بدیہی ہے ، جس سے یہ منظرنامے کے ل suitable موزوں ہوجاتا ہے جس میں بار بار سوئچنگ کی ضرورت ہوتی ہے۔

ٹی اے سی ٹوگل والو کی علامت اور خاکہ

اوڈرنگ کوڈ

ٹی اے سی

2

__

2

P

 

 

 

 

 

ٹی اے سی سیریز ٹوگل والو

 

 

2: 2 پوزیشن 2 راستہ (M5)

پی: پش پل بٹن کی قسم

 

 

 

3: 2 پوزیشن 3 وے (M5)

v: ہینڈ لیور کی قسم

 

 

 

4: 2 پاور 5 وے (M5)

پی پی: ڈبل پش پل بٹن

 

 

 

31: 2 پوزیشن 3 راستہ (G1/8)

 

 

 

 

41: 2 پاور 5 راستہ (G1/8)

 

 

ماڈل

بندرگاہ کا سائز

 

نمبر
پوزیشن کی

موثر  
کراس سیکشنل ایریا

دباؤ کی حد

ورکنگ سیال

محیط
درجہ حرارت

 

TAC-2V

inlet = آؤٹ لیٹ = M5   

2 پوزیشن 2 راستہ

1.9 ملی میٹر

0.05 ~ 0.9ppa

ہوا

0 ~ 60

tac-2p

inlet = آؤٹ لیٹ = M5   

2 پوزیشن 2 راستہ

1.9 ملی میٹر

TAC-3V

inlet = آؤٹ لیٹ = M5   

2 پوزیشن 3 راستہ

1.9 ملی میٹر

tac-3p

inlet = آؤٹ لیٹ = M5   

2 پوزیشن 3 راستہ

1.9 ملی میٹر

tac-4v

inlet = آؤٹ لیٹ = M5   

2 پوزیشن 5 راستہ

1.9 ملی میٹر

tac-4p

inlet = آؤٹ لیٹ = M5   

2 پوزیشن 5 راستہ

1.9 ملی میٹر

4pp

G1/8

 

2 پوزیشن 5 راستہ

4.5 ملی میٹر

TAC2-31V

inlet = آؤٹ لیٹ = راستہ = G1/8   

2 پوزیشن 3 راستہ

4.5 ملی میٹر

TAC2-31P

inlet = آؤٹ لیٹ = راستہ = G1/8   

2 پوزیشن 3 راستہ

4.5 ملی میٹر

TAC2-41V

inlet = آؤٹ لیٹ = G1/8 راستہ = M5

2 پوزیشن 5 راستہ

4.5 ملی میٹر

tac2-41p

inlet = آؤٹ لیٹ = G1/8 راستہ = M5

2 پوزیشن 5 راستہ

4.5 ملی میٹر

TAC2-41PP

inlet = آؤٹ لیٹ = G1/8 راستہ = M5

2 پوزیشن 5 راستہ

4.5 ملی میٹر

عمومی سوالنامہ:

ٹوگل والو اور مکینیکل والو میں کیا فرق ہے؟

اس کو کنٹرول کی قسم کے ذریعہ ٹوگل والو اور مکینیکل والو کی تمیز کی جاسکتی ہے: ٹوگل والو پائنڈ لیور ہولڈنگ ٹائپ ہے ، مکینیکل والو پش پل بٹن کی قسم یا رولر کی قسم ہے

 

ٹوگل والو اور دوسرے والوز میں کیا فرق ہے؟

عین مطابق کنٹرول: ٹوگل والوز مخروطی والو کور کے ذریعے عمدہ بہاؤ کے ضابطے کو حاصل کرتے ہیں ، جو چھوٹے قطر کے پائپ لائنوں میں عین مطابق کنٹرول کے لئے موزوں ہے ، جبکہ بال والوز جلدی کھولنے اور بند کرنے کی کارروائیوں کے لئے زیادہ موزوں ہیں۔

ہاٹ ٹیگز: ٹی اے سی نیومیٹک ٹوگل والو ، چین ، کارخانہ دار ، سپلائر ، فیکٹری
انکوائری بھیجیں۔
رابطہ کی معلومات
  • پتہ

    ژینگٹائی روڈ ، زینگنگ انڈسٹریل زون ، لیوشی ، ییوکنگ ، وینزہو ، جیانگ ، چین۔

  • ٹیلی فون

    86-0577 57178620

  • ای میل

    cici@olkptc.com

ہماری ویب سائٹ پر خوش آمدید! ہماری مصنوعات یا قیمت کی فہرست کے بارے میں پوچھ گچھ کے لئے، براہ کرم ہمیں اپنا ای میل چھوڑ دیں اور ہم 24 گھنٹوں کے اندر رابطے میں رہیں گے۔
ای میل
cici@olkptc.com
ٹیلی فون
86-0577 57178620
موبائل
+86-13736765213
پتہ
ژینگٹائی روڈ ، زینگنگ انڈسٹریل زون ، لیوشی ، ییوکنگ ، وینزہو ، جیانگ ، چین۔
X
ہم آپ کو براؤزنگ کا بہتر تجربہ پیش کرنے ، سائٹ ٹریفک کا تجزیہ کرنے اور مواد کو ذاتی نوعیت دینے کے لئے کوکیز کا استعمال کرتے ہیں۔ اس سائٹ کا استعمال کرکے ، آپ کوکیز کے ہمارے استعمال سے اتفاق کرتے ہیں۔ رازداری کی پالیسی
مسترد قبول کریں